Radialventilator FRv 200/ 4/ R / D/ EX

Verfügbarkeit: 10 Werktage
Direktgetriebener Radialventilator zur Förderung aggressiver und explosionsfähiger Gase, Temperatur max 40°C
Ventilator II 3G c IIB T3 X 05 ATEX D085
Gehäuse aus PPs, in gespritzter Ausführung mit integrierten Dichtungssystem, bestehend aus Kondensatwehr als umlaufende Tropfkante und einer   
Labyrinthdichtung, mit zusätzlicher Fettsperre, von aussen nachfüllbar, und Lippendichtung,  Kondensatablaufstutzen an der tiefsten Gehäusestellung
Laufrad mit rückwärtsgekrümmten Schaufeln aus PPs, in gespritzter Ausführung mit Rückenbeschaufelung  für garantierten Unterdruck  an der Wellendurchführung im  Betrieb,
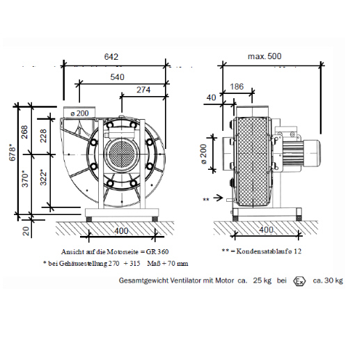
Gehäusestellung GR,  Ausblasrichtung 45° / 90° / 135° / 180° / 270° / 315° /360°                                                                           
Grundrahmen: Stahl-verzinkt                                                                                                   
Antrieb : Normmotor  ATEX- konform EEx e II 2G T3       
3 x 230/400V, 50 Hz, IP55, Wärmeklasse F,   
Zubehör : Gummi -Schwingungsdämpfer                                                   
saug- und druckseitige Schutzgitter sind bauseitige Leistung durch Kunden                                                                                                                           
Volumenstrom  m3/h  160 - 1300                                                                           
Druckdifferenz  PA    310 - 90                                                                             
EEx e II T3                                                                                                                 
Polzahl  4                                                                                                                       
Sync. Drehzahl bei 50 Hz    1500  1/min                                                                 
Motorleistung kW  0,25                                                                                           
Nennstrom bei 400 V  0,79 A                                                                                                                     
Baugröße 71                                                                                                                 
Bauart B5 / IP55                                   
 
 
 
alle Preise inkl. MwSt. zzgl. Versandkosten
DaØ Saugseite DaØ Ausblasseite Höhe Länge Breite Gewicht VE Art.-Nr. Artikel bestellen
                Preis Menge
200 200 678 bei GR360 642 max. 500 1 20001485 1038,88 €
alle Preise inkl. MwSt. zzgl. Versandkosten
Hinweis:
Für diesen Artikel kann kein Gesamtpreis berechnet werden. Daher wird aus Ihrem Warenkorb eine Anfrage und Sie erhalten von uns schnellstens ein Angebot mit allen Preisangaben, bevor Sie verbindlich bestellen.



Effiziente Luftzirkulation mit Kunststoff Ventilatoren - Die Kwerk GmbH, Ihr zuverlässiger Partner für erstklassige Lüftungstechnik.







 

Entdecken Sie die starke Partnerschaft zwischen der Kwerk GmbH und Funken Ventilatoren für erstklassige Lüftungstechniklösungen. Funken Ventilatoren ist ein renommierter Hersteller von Ventilatoren und Lüftungssystemen und bietet eine breite Palette hochwertiger Produkte für verschiedene Anwendungen. Die enge Zusammenarbeit mit Funken ermöglicht es der Kwerk GmbH, ihren Kunden eine Vielzahl von erstklassigen Lösungen anzubieten.

Von Radialventilatoren über Axialventilatoren bis hin zu maßgeschneiderten Speziallösungen - Funken Ventilatoren überzeugen durch ihre hohe Qualität, Effizienz und Zuverlässigkeit. Als Partner der Kwerk GmbH liefert Funken Ventilatoren auch spezielle ATEX Ventilatoren für explosionsgefährdete Bereiche gemäß den Anforderungen der ATEX-Richtlinien.

Die ATEX Ventilatoren von Funken erfüllen die strengen Sicherheitsstandards und bieten zuverlässige Belüftungslösungen für Umgebungen, in denen explosionsfähige Atmosphären auftreten können. Mit ihrer robusten Konstruktion und den speziellen Sicherheitsfunktionen gewährleisten die ATEX Ventilatoren von Funken einen sicheren Betrieb in sensiblen Industriebereichen.

Die Kwerk GmbH freut sich, ihren Kunden die Expertise und hochwertigen ATEX Ventilatoren von Funken anzubieten. Unser erfahrenes Team unterstützt Sie bei der Auswahl, Planung und Umsetzung der optimalen Lüftungstechniklösungen für explosionsgefährdete Bereiche.

Vertrauen Sie auf die starke Partnerschaft zwischen der Kwerk GmbH und Funken Ventilatoren für Ihre Lüftungstechnik. Gemeinsam liefern wir Ihnen qualitativ hochwertige Produkte, herausragenden Service und maßgeschneiderte Lösungen - inklusive ATEX Ventilatoren - für Ihre individuellen Anforderungen.

Besuchen Sie noch heute unsere B2B-Plattform Kwerk.de, um weitere Informationen zu erhalten oder kontaktieren Sie uns telefonisch. Setzen Sie auf die Expertise der Kwerk GmbH und Funken Ventilatoren - Ihre zuverlässigen Partner für erstklassige Lüftungstechniklösungen.






Ihre Wünsche, unsere Lösungen - Ein umfangreiches Lieferprogramm nach Maß.



Kunststoffrohrsysteme


Rohrsysteme aus Kunststoff im Überblick
Technische Informationen ABS Rohrsysteme
Technische Informationen PVC  U Rohrsysteme
Technische Informationen PVC  U Transparent Rohrsysteme
Technische Informationen PVC  C Rohrsysteme
Technische Informationen PP Rohrsysteme
Technische Informationen PP-R Rohrsysteme
Technische Informationen PE Rohrsysteme
Technische Informationen PVDF Rohrsysteme

Chemiedur


Technische Informationen UP-GF (GFK) Rohrsysteme
UP-GF (GFK) Rohre
UP-GF (GFK) Formteile und Verbindungen
UP-GF-PP (GFK) Formteile und Verbindungen
UP-GF (GFK) Klebebunde
UP-GF (GFK) Losflansche
PP/GFK Schmutzfänger DN 200 - DN 500
GFK/CSS  Schmutzfänger DN 200 - DN 500
PP/GFK  Schrägsitzschmutzfänger DN 200 - DN 400
GFK und PP/GFK Mannlochdeckel DN 500 - DN 800


Kunststoffrohre


Rohrzuschnitssrechner
Sägehinweise Kunststoffrohre
Kunststoffrohr - Restebörse
Normung - Kunststoffrohre und Formteile
PVC U Rohrabweichungen
Druckverlust PVCU, PVCC und ABS Rohrsysteme
Unterschied Rp, R und G Gewinde
Schraubenlängen für Flanschverbindungen
Dichtungen: PTFE, NBR, FKM, EPDM

Kunststoffarmaturen


PVC U Transparent Kugelhahn
Membranventile
Blockventile
Absperrklappen
Nadelventile aus Kunststoff



 

Kunststoffarmaturen nach ATEX


ATEX-Leitlinien allgemein
Neue EU Richtlinie 2014/34/EU
Kunststoffarmaturen in Ex-Zonen
Schmutzfänger PP-EL DN 15 - DN 50
Rückschlagventil PP-EL DN 15 - DN 50
Schrägsitzventil PP-EL DN 15 - DN 50

Kleben von Kunststoffrohren


Klebeanleitung
Klebeanleitung per Video

Kunststoffschweißen


Hinweise zum Extrusionsschweissen


Gitterroste / Tragroste


GFK Gitterroste
Gitterroste PP -el elektrisch Leitfähig
Profiltragroste PP -el elektrisch Leitfähig


Lüftungsformteile


Lüftungstechnik
Revisionsdeckel für Lüftungskanäle
Luftstromüberwachung


Chemieschlauch


PVC Transparentschlauch mit Textileinlage


Industrie- und Chemiebehälter


Dosierbehälter-Konfigurator
Dosierbehälter  und Überbehälter 35 – 1000 Liter
Salzlösebehälter 60 -5000 Liter
Lagerbehälter & Bottiche
Lagerbehälter für Wasser
Sicherheits- und Auffangwannen
Lieferprogramm Industriebehälter
Dosierbehälter mit Rührwerk
Rührwerk für Dosierbehälter
Dosierbehälter mit Anbauvarianten
Dosierbehälter aus Plattenmaterial
Chemiebehälter - Kundenlösungen
Dosierbehälter mit Füllstandsanzeigen
GFK Behälter für den schweren Chemieeinsatz



 

IBC TANK / CONTAINER


IBC Schraubdeckel DN 150/DN 200
IBC Adapter aus PE
IBC Adapter aus PP
MULTI FLEX BLOCK für IBC Bulk Container
Sauglanze für MULTI FLEX BLOCK und IBC Bulk Container
Heizhaube für IBC Bulk Container

Anwendungsbeispiele
MULTI FLEX BLOCK


Legionellen in Rückkühlwerken


Anbauteile für den Behälterbau


Säuredunstscheider
CO2 - Absorber
Fallbeispiel CO2 - Absorber
Mannlochdeckel
Revisionsstutzen
Blockflansche
Klöpperboden aus PP-CPK, PE-SK, PVDF-geätzt, PVC U und PVC-C


Filtergehäuse und Filterkerzen


PENTEK 3G Slime Line Gehäuse
PENTEK 3G Standard Filtergehäuse
PENTEK Big Blue Filtergehäuse
PENTEK PP Hochtemperatur Filtergehäuse
PENTEK PP Natur Filtergehäuse
PENTEK Filterbeutel für Big Blue Filtergehäuse
PENTEK Filtereinsätze für Oberflächenfiltration
PENTEK Filtereinsätze für Tiefenfiltration
PENTEK Filtereinsätze mit Aktivkohle
CINTROPUR Filtersysteme
CINTROPUR Wasserfilter
Enthärtungsanlage KAWK
Heizungswasser Umkehrosmose INDUWA


Flansch-Konfigurator


Blindflansch-Losflansch-Rechteckflansch

Chemische Beständigkeit


Beständigkeitsliste für Rohrsystemen aus Kunststoff

Kunststoffapparatebau


Tropfenabscheider aus PVC U, PP, PPs, PE und Verbundwerkstoffen

 

Kunststoff-Drehteile


Einlegteile
Einschraubteile
Gewindefittings
Verschraubungen

Kunststoff-Frästeile


Los- und Blindflansche aus Platten


Statische Mischer


Statische Mischer aus Kunststoff


Kompensatoren


Kompensatoren für Kunststoffrohrsysteme


Schmutzfänger


Einzel- und Doppelschmutzfänger
Topfschmutzfänger DN 300
Schrägsitzschmutzfänger DN 500


Durchflussmesser


Schwebekörperdurchflussmesser
Konfigurator für Durchflussmesser
Messwertgeber für Schwebekörperdurchflussmesser
Nebenstrom - Durchflussmesser


Filterpressen


Laborfilterpresse


Spritzgussteile


Schaber aus PE für Filterpressen


Kwerk Praxis Blog


Hier bloggt das Kwerk Team aus der Praxis


Westerwald - Spezial


Westerwälder Säurekitt


Kwerk GmbH International


Unsere Webseite in Englisch


Partnerschaft auf höchstem Niveau


 
         
 
 
 
       
 
 
         
 
DATENBLATT KOMPAKT
CAD-FILES
keine CAD-Dateien vorhanden
ONLINE-TOOLS
ANGEBOT ANFORDERN
PROJEKT-ANFRAGE STARTEN