T-Stück 90°, PE 100, SDR 17, reduziert, lang

Verfügbakeit: sofort
Formteile LANG,

PE100 Formteile mit langen Schweißenden SDR11/17 schwarz
gespritzt, für die Heizelement-Stumpf-Schweißung und Heizwendel-Muffen-Schweißung

Werkstoff
PE100, schwarz. Das Material entspricht den Anforderungen der aktuellen KTW-Leitlinie des Umweltbundesamtes (UBA).

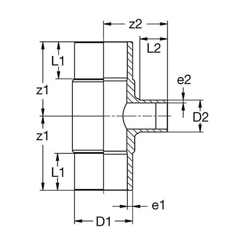
Geometrische Eigenschaften
Außendurchmesser und Wanddicke entsprechend EN 1555 und EN 12201. Toleranzen bei den Z-Maßangaben sind abhängig von der Dimension. Bis d/D 160 = +/- 3 mm. Ab d/D 180 = +/- 10 mm.

Ausführung
Geeignet für Heizelement-Stumpf-Schweißung und Heizwendel-Muffen-Schweißung nach DVS Richtlinie 2207. Schweiß-Geräte und Schweiß-Werkzeuge sollten der DVS Richtlinie 2208 entsprechen.
 
 
 
alle Preise inkl. MwSt. zzgl. Versandkosten
D1-D2 [mm] e1 [mm] e2 [mm] L1 [mm] L2 [mm] z1 [mm] z2 [mm] Gewicht VE Art.-Nr. Artikel bestellen
                    Preis Menge
63-32 3,8 3,0** 70 46 114 91 0,280 1 2524110815 25,47 €
110-63 6,6 5,8** 93 65 158 139 1,110 1 2524141115 46,93 €
110-90 6,6 5,4 91 83 160 158 1,180 1 2524141315 60,21 €
125-63 7,4 5,8** 101 70 179 157 1,130 1 2524151115 62,14 €
125-75 7,4 4,5 102 76 179 162 1,370 1 2524151215 62,14 €
125-90 7,4 5,4 100 86 179 170 1,410 1 2524151315 62,14 €
125-110 7,4 6,6 101 96 179 179 1,510 1 2524151415 62,14 €
140-63 8,3 5,8** 103 69 193 165 1,940 1 2524161115 102,02 €
140-75 8,3 4,5 104 77 193 177 1,990 1 2524161215 102,02 €
140-90 8,3 5,4 105 85 193 188 2,010 1 2524161315 102,02 €
140-110 8,3 6,6 105 88 193 188 2,090 1 2524161415 106,02 €
160-63 9,5 5,8** 110 72 212 179 2,870 1 2524171115 128,49 €
160-75 9,5 4,5 110 71 212 178 2,880 1 2524171215 132,47 €
160-90 9,5 5,4 110 85 212 196 2,920 1 2524171315 132,47 €
160-110 9,5 6,6 110 93 212 201 3,000 1 2524171415 133,59 €
180-75 10,7 4,5 116 77 230 197 3,920 1 2524181215 204,52 €
180-90 10,7 5,4 117 85 230 208 3,950 1 2524181315 204,52 €
180-110 10,7 6,6 117 98 230 218 4,030 1 2524181415 204,52 €
180-125 10,7 7,4 117 100 230 223 4,100 1 2524181515 204,52 €
180-140 10,7 8,3 116 105 230 225 4,190 1 2524181615 178,55 €
180-160 10,7 9,5 116 112 230 232 4,440 1 2524181715 178,55 €
200-63 11,9 5,8** 127 72 255 195 5,130 1 2524191115 206,87 €
200-75 11,9 4,5 127 80 255 203 5,150 1 2524191215 206,87 €
200-90 11,9 5,4 127 87 255 212 5,220 1 2524191315 206,87 €
200-110 11,9 6,6 127 97 255 224 5,250 1 2524191415 206,87 €
200-125 11,9 7,4 127 104 255 225 5,380 1 2524191515 206,87 €
200-160 11,9 9,5 127 112 255 242 5,650 1 2524191715 206,87 €
225-63 13,4 5,8** 130 68 270 245 6,690 1 2524201115 300,14 €
225-75 13,4 4,5 130 75 270 251 6,710 1 2524201215 300,14 €
225-90 13,4 5,4 130 87 270 264 6,770 1 2524201315 300,14 €
225-110 13,4 6,6 128 92 261 268 6,970 1 2424201415 auf Anfrage
225-125 13,4 7,4 130 92 261 267 6,980 1 2424201515 auf Anfrage
225-140 13,4 8,3 130 105 270 280 7,170 1 2524201615 302,40 €
225-160 13,4 9,5 120 110 261 248 7,200 1 2524201715 302,40 €
250-90 14,8 5,4 145 85 298 235 7,300 1 2524211315 451,91 €
250-110 14,8 6,6 145 95 298 265 7,300 1 2524211415 451,91 €
250-125 14,8 7,4 145 115 298 270 7,600 1 2524211515 451,91 €
250-160 14,8 9,5 145 100 298 275 7,600 1 2524211715 451,91 €
280-110 16,6 6,6 146 95 321 260 9,900 1 2524221415 545,28 €
280-160 16,6 9,5 146 118 321 280 10,100 1 2524221715 545,28 €
315-110 18,7 6,6 165 100 352 291 13,600 1 2524231415 636,46 €
315-160 18,7 9,5 165 110 352 305 14,600 1 2524231715 636,46 €
315-250 18,7 14,8 165 137 352 328 15,200 1 2524232115 636,46 €
355-250 21,2 14,8 172 143 390 661 30,100 1 2524242115 1322,66 €
355-280 21,1 16,6 172 148 390 661 30,600 1 2524242215 1358,37 €
355-315 21,1 18,7 172 158 390 661 31,200 1 2524242315 807,39 €
400-280 23,7 16,6 187 153 431 707 39,700 1 2524252215 1661,34 €
400-315 23,7 18,7 187 158 431 707 40,300 1 2524252315 1679,07 €
400-355 23,7 21,1 187 168 431 707 41,200 1 2524252415 1723,16 €
500-355 29,7 21,1 222 172 522 798 71,500 1 2524272415 2892,28 €
500-400 29,7 23,7 222 187 522 798 72,600 1 2524272515 2940,75 €
500-450 29,7 26,7 222 202 522 798 74,100 1 2524272615 2988,82 €
alle Preise inkl. MwSt. zzgl. Versandkosten
Hinweis:
Für diesen Artikel kann kein Gesamtpreis berechnet werden. Daher wird aus Ihrem Warenkorb eine Anfrage und Sie erhalten von uns schnellstens ein Angebot mit allen Preisangaben, bevor Sie verbindlich bestellen.
Hinweis:
Für diesen Artikel kann kein Gesamtpreis berechnet werden. Daher wird aus Ihrem Warenkorb eine Anfrage und Sie erhalten von uns schnellstens ein Angebot mit allen Preisangaben, bevor Sie verbindlich bestellen.
Hinweis:
Für diesen Artikel kann kein Gesamtpreis berechnet werden. Daher wird aus Ihrem Warenkorb eine Anfrage und Sie erhalten von uns schnellstens ein Angebot mit allen Preisangaben, bevor Sie verbindlich bestellen.
Hinweis:
Für diesen Artikel kann kein Gesamtpreis berechnet werden. Daher wird aus Ihrem Warenkorb eine Anfrage und Sie erhalten von uns schnellstens ein Angebot mit allen Preisangaben, bevor Sie verbindlich bestellen.
Hinweis:
Für diesen Artikel kann kein Gesamtpreis berechnet werden. Daher wird aus Ihrem Warenkorb eine Anfrage und Sie erhalten von uns schnellstens ein Angebot mit allen Preisangaben, bevor Sie verbindlich bestellen.
Hinweis:
Für diesen Artikel kann kein Gesamtpreis berechnet werden. Daher wird aus Ihrem Warenkorb eine Anfrage und Sie erhalten von uns schnellstens ein Angebot mit allen Preisangaben, bevor Sie verbindlich bestellen.
Hinweis:
Für diesen Artikel kann kein Gesamtpreis berechnet werden. Daher wird aus Ihrem Warenkorb eine Anfrage und Sie erhalten von uns schnellstens ein Angebot mit allen Preisangaben, bevor Sie verbindlich bestellen.
Hinweis:
Für diesen Artikel kann kein Gesamtpreis berechnet werden. Daher wird aus Ihrem Warenkorb eine Anfrage und Sie erhalten von uns schnellstens ein Angebot mit allen Preisangaben, bevor Sie verbindlich bestellen.
Hinweis:
Für diesen Artikel kann kein Gesamtpreis berechnet werden. Daher wird aus Ihrem Warenkorb eine Anfrage und Sie erhalten von uns schnellstens ein Angebot mit allen Preisangaben, bevor Sie verbindlich bestellen.
Hinweis:
Für diesen Artikel kann kein Gesamtpreis berechnet werden. Daher wird aus Ihrem Warenkorb eine Anfrage und Sie erhalten von uns schnellstens ein Angebot mit allen Preisangaben, bevor Sie verbindlich bestellen.
Hinweis:
Für diesen Artikel kann kein Gesamtpreis berechnet werden. Daher wird aus Ihrem Warenkorb eine Anfrage und Sie erhalten von uns schnellstens ein Angebot mit allen Preisangaben, bevor Sie verbindlich bestellen.
Hinweis:
Für diesen Artikel kann kein Gesamtpreis berechnet werden. Daher wird aus Ihrem Warenkorb eine Anfrage und Sie erhalten von uns schnellstens ein Angebot mit allen Preisangaben, bevor Sie verbindlich bestellen.
Hinweis:
Für diesen Artikel kann kein Gesamtpreis berechnet werden. Daher wird aus Ihrem Warenkorb eine Anfrage und Sie erhalten von uns schnellstens ein Angebot mit allen Preisangaben, bevor Sie verbindlich bestellen.
Hinweis:
Für diesen Artikel kann kein Gesamtpreis berechnet werden. Daher wird aus Ihrem Warenkorb eine Anfrage und Sie erhalten von uns schnellstens ein Angebot mit allen Preisangaben, bevor Sie verbindlich bestellen.
Hinweis:
Für diesen Artikel kann kein Gesamtpreis berechnet werden. Daher wird aus Ihrem Warenkorb eine Anfrage und Sie erhalten von uns schnellstens ein Angebot mit allen Preisangaben, bevor Sie verbindlich bestellen.
Hinweis:
Für diesen Artikel kann kein Gesamtpreis berechnet werden. Daher wird aus Ihrem Warenkorb eine Anfrage und Sie erhalten von uns schnellstens ein Angebot mit allen Preisangaben, bevor Sie verbindlich bestellen.
Hinweis:
Für diesen Artikel kann kein Gesamtpreis berechnet werden. Daher wird aus Ihrem Warenkorb eine Anfrage und Sie erhalten von uns schnellstens ein Angebot mit allen Preisangaben, bevor Sie verbindlich bestellen.
Hinweis:
Für diesen Artikel kann kein Gesamtpreis berechnet werden. Daher wird aus Ihrem Warenkorb eine Anfrage und Sie erhalten von uns schnellstens ein Angebot mit allen Preisangaben, bevor Sie verbindlich bestellen.
Hinweis:
Für diesen Artikel kann kein Gesamtpreis berechnet werden. Daher wird aus Ihrem Warenkorb eine Anfrage und Sie erhalten von uns schnellstens ein Angebot mit allen Preisangaben, bevor Sie verbindlich bestellen.
Hinweis:
Für diesen Artikel kann kein Gesamtpreis berechnet werden. Daher wird aus Ihrem Warenkorb eine Anfrage und Sie erhalten von uns schnellstens ein Angebot mit allen Preisangaben, bevor Sie verbindlich bestellen.
Hinweis:
Für diesen Artikel kann kein Gesamtpreis berechnet werden. Daher wird aus Ihrem Warenkorb eine Anfrage und Sie erhalten von uns schnellstens ein Angebot mit allen Preisangaben, bevor Sie verbindlich bestellen.
Hinweis:
Für diesen Artikel kann kein Gesamtpreis berechnet werden. Daher wird aus Ihrem Warenkorb eine Anfrage und Sie erhalten von uns schnellstens ein Angebot mit allen Preisangaben, bevor Sie verbindlich bestellen.
Hinweis:
Für diesen Artikel kann kein Gesamtpreis berechnet werden. Daher wird aus Ihrem Warenkorb eine Anfrage und Sie erhalten von uns schnellstens ein Angebot mit allen Preisangaben, bevor Sie verbindlich bestellen.
Hinweis:
Für diesen Artikel kann kein Gesamtpreis berechnet werden. Daher wird aus Ihrem Warenkorb eine Anfrage und Sie erhalten von uns schnellstens ein Angebot mit allen Preisangaben, bevor Sie verbindlich bestellen.
Hinweis:
Für diesen Artikel kann kein Gesamtpreis berechnet werden. Daher wird aus Ihrem Warenkorb eine Anfrage und Sie erhalten von uns schnellstens ein Angebot mit allen Preisangaben, bevor Sie verbindlich bestellen.
Hinweis:
Für diesen Artikel kann kein Gesamtpreis berechnet werden. Daher wird aus Ihrem Warenkorb eine Anfrage und Sie erhalten von uns schnellstens ein Angebot mit allen Preisangaben, bevor Sie verbindlich bestellen.
Hinweis:
Für diesen Artikel kann kein Gesamtpreis berechnet werden. Daher wird aus Ihrem Warenkorb eine Anfrage und Sie erhalten von uns schnellstens ein Angebot mit allen Preisangaben, bevor Sie verbindlich bestellen.
Hinweis:
Für diesen Artikel kann kein Gesamtpreis berechnet werden. Daher wird aus Ihrem Warenkorb eine Anfrage und Sie erhalten von uns schnellstens ein Angebot mit allen Preisangaben, bevor Sie verbindlich bestellen.
Hinweis:
Für diesen Artikel kann kein Gesamtpreis berechnet werden. Daher wird aus Ihrem Warenkorb eine Anfrage und Sie erhalten von uns schnellstens ein Angebot mit allen Preisangaben, bevor Sie verbindlich bestellen.
Hinweis:
Für diesen Artikel kann kein Gesamtpreis berechnet werden. Daher wird aus Ihrem Warenkorb eine Anfrage und Sie erhalten von uns schnellstens ein Angebot mit allen Preisangaben, bevor Sie verbindlich bestellen.
Hinweis:
Für diesen Artikel kann kein Gesamtpreis berechnet werden. Daher wird aus Ihrem Warenkorb eine Anfrage und Sie erhalten von uns schnellstens ein Angebot mit allen Preisangaben, bevor Sie verbindlich bestellen.
Hinweis:
Für diesen Artikel kann kein Gesamtpreis berechnet werden. Daher wird aus Ihrem Warenkorb eine Anfrage und Sie erhalten von uns schnellstens ein Angebot mit allen Preisangaben, bevor Sie verbindlich bestellen.
Hinweis:
Für diesen Artikel kann kein Gesamtpreis berechnet werden. Daher wird aus Ihrem Warenkorb eine Anfrage und Sie erhalten von uns schnellstens ein Angebot mit allen Preisangaben, bevor Sie verbindlich bestellen.
Hinweis:
Für diesen Artikel kann kein Gesamtpreis berechnet werden. Daher wird aus Ihrem Warenkorb eine Anfrage und Sie erhalten von uns schnellstens ein Angebot mit allen Preisangaben, bevor Sie verbindlich bestellen.
Hinweis:
Für diesen Artikel kann kein Gesamtpreis berechnet werden. Daher wird aus Ihrem Warenkorb eine Anfrage und Sie erhalten von uns schnellstens ein Angebot mit allen Preisangaben, bevor Sie verbindlich bestellen.
Hinweis:
Für diesen Artikel kann kein Gesamtpreis berechnet werden. Daher wird aus Ihrem Warenkorb eine Anfrage und Sie erhalten von uns schnellstens ein Angebot mit allen Preisangaben, bevor Sie verbindlich bestellen.
Hinweis:
Für diesen Artikel kann kein Gesamtpreis berechnet werden. Daher wird aus Ihrem Warenkorb eine Anfrage und Sie erhalten von uns schnellstens ein Angebot mit allen Preisangaben, bevor Sie verbindlich bestellen.
Hinweis:
Für diesen Artikel kann kein Gesamtpreis berechnet werden. Daher wird aus Ihrem Warenkorb eine Anfrage und Sie erhalten von uns schnellstens ein Angebot mit allen Preisangaben, bevor Sie verbindlich bestellen.
Hinweis:
Für diesen Artikel kann kein Gesamtpreis berechnet werden. Daher wird aus Ihrem Warenkorb eine Anfrage und Sie erhalten von uns schnellstens ein Angebot mit allen Preisangaben, bevor Sie verbindlich bestellen.
Hinweis:
Für diesen Artikel kann kein Gesamtpreis berechnet werden. Daher wird aus Ihrem Warenkorb eine Anfrage und Sie erhalten von uns schnellstens ein Angebot mit allen Preisangaben, bevor Sie verbindlich bestellen.
Hinweis:
Für diesen Artikel kann kein Gesamtpreis berechnet werden. Daher wird aus Ihrem Warenkorb eine Anfrage und Sie erhalten von uns schnellstens ein Angebot mit allen Preisangaben, bevor Sie verbindlich bestellen.
Hinweis:
Für diesen Artikel kann kein Gesamtpreis berechnet werden. Daher wird aus Ihrem Warenkorb eine Anfrage und Sie erhalten von uns schnellstens ein Angebot mit allen Preisangaben, bevor Sie verbindlich bestellen.
Hinweis:
Für diesen Artikel kann kein Gesamtpreis berechnet werden. Daher wird aus Ihrem Warenkorb eine Anfrage und Sie erhalten von uns schnellstens ein Angebot mit allen Preisangaben, bevor Sie verbindlich bestellen.
Hinweis:
Für diesen Artikel kann kein Gesamtpreis berechnet werden. Daher wird aus Ihrem Warenkorb eine Anfrage und Sie erhalten von uns schnellstens ein Angebot mit allen Preisangaben, bevor Sie verbindlich bestellen.
Hinweis:
Für diesen Artikel kann kein Gesamtpreis berechnet werden. Daher wird aus Ihrem Warenkorb eine Anfrage und Sie erhalten von uns schnellstens ein Angebot mit allen Preisangaben, bevor Sie verbindlich bestellen.
Hinweis:
Für diesen Artikel kann kein Gesamtpreis berechnet werden. Daher wird aus Ihrem Warenkorb eine Anfrage und Sie erhalten von uns schnellstens ein Angebot mit allen Preisangaben, bevor Sie verbindlich bestellen.
Hinweis:
Für diesen Artikel kann kein Gesamtpreis berechnet werden. Daher wird aus Ihrem Warenkorb eine Anfrage und Sie erhalten von uns schnellstens ein Angebot mit allen Preisangaben, bevor Sie verbindlich bestellen.
Hinweis:
Für diesen Artikel kann kein Gesamtpreis berechnet werden. Daher wird aus Ihrem Warenkorb eine Anfrage und Sie erhalten von uns schnellstens ein Angebot mit allen Preisangaben, bevor Sie verbindlich bestellen.
Hinweis:
Für diesen Artikel kann kein Gesamtpreis berechnet werden. Daher wird aus Ihrem Warenkorb eine Anfrage und Sie erhalten von uns schnellstens ein Angebot mit allen Preisangaben, bevor Sie verbindlich bestellen.
Hinweis:
Für diesen Artikel kann kein Gesamtpreis berechnet werden. Daher wird aus Ihrem Warenkorb eine Anfrage und Sie erhalten von uns schnellstens ein Angebot mit allen Preisangaben, bevor Sie verbindlich bestellen.
Hinweis:
Für diesen Artikel kann kein Gesamtpreis berechnet werden. Daher wird aus Ihrem Warenkorb eine Anfrage und Sie erhalten von uns schnellstens ein Angebot mit allen Preisangaben, bevor Sie verbindlich bestellen.
Hinweis:
Für diesen Artikel kann kein Gesamtpreis berechnet werden. Daher wird aus Ihrem Warenkorb eine Anfrage und Sie erhalten von uns schnellstens ein Angebot mit allen Preisangaben, bevor Sie verbindlich bestellen.




Starke Verbindungen für eine sichere Zukunft: Unsere PE-Formteile für zuverlässige Schweißlösungen



 
PE-Formteile mit langen schweißenden SDR 11/17 in Schwarz - Perfekte Lösungen für Heizelement-Stumpf-Schweißung und Heizwendel-Muffen-Schweißung

Sie suchen nach hochwertigen PE-Formteilen für Ihre Heizungs- oder Rohrleitungssysteme? Unsere spritzgegossenen PE-Formteile sind die ideale Wahl. Sie bestechen durch herausragende physikalische und mechanische Eigenschaften, die ihnen vielseitige Einsatzmöglichkeiten verleihen. Dank ihrer feinen Oberflächenstruktur eignen sich unsere PE-Formteile perfekt für den Transport von Gasen und Flüssigkeiten. Zudem bieten sie eine ausgezeichnete UV-Beständigkeit, sodass eine Installation im Freien ohne zusätzliche Schutzmaßnahmen problemlos möglich ist. Seit vielen Jahrzehnten haben sich unsere Formteile in der Gas- und Wasserversorgung bewährt und überzeugen durch ihre Langlebigkeit und Zuverlässigkeit.

Unsere PE-Formteile bestehen aus hochwertigem Polyethylen (PE100), das gemäß der Mindestlangzeitfestigkeit (MRS) klassifiziert ist. In Schwarz gehalten, erfüllen unsere Formteile die Anforderungen der aktuellen KTW-Richtlinie des Umweltbundesamtes (UBA). Sie entsprechen den Normen EN 1555 für die Gasversorgung und EN 12201 für die Trinkwasserversorgung, sodass Sie sich auf ihre Qualität und Sicherheit verlassen können.

Die PE-Formteile weisen eine Reihe beeindruckender Eigenschaften auf. Sie sind leicht im Gewicht, chemisch beständig und überzeugen mit hoher Schlagzähigkeit auch bei niedrigen Temperaturen. Zudem sind sie korrosionsbeständig und zeigen eine ausgezeichnete Beständigkeit gegenüber Licht, Witterungseinflüssen und Abrieb. Diese Eigenschaften machen sie zu einer zuverlässigen Wahl für verschiedenste Anwendungen.

Die geometrischen Eigenschaften unserer PE-Formteile entsprechen den Normen EN 1555 und EN 12201 hinsichtlich des Außendurchmessers und der Wanddicke. Die Toleranzen bei den Z-Maßangaben variieren je nach Dimension. Bei einem Durchmesser kleiner oder gleich 160 mm beträgt die Toleranz +/- 3 mm, während sie ab einem Durchmesser von 180 mm +/- 10 mm beträgt.

Die PE-Formteile lassen sich sowohl für Heizelement-Stumpf-Schweißung als auch für Heizwendel-Muffen-Schweißung gemäß der DVS-Richtlinie 2207 verwenden. Um eine sichere und zuverlässige Schweißverbindung zu gewährleisten, empfehlen wir den Einsatz von Schweißgeräten und -werkzeugen, die der DVS-Richtlinie 2208 entsprechen.

Unser Partner Bänninger ist ein angesehenes Unternehmen mit langjähriger Erfahrung und Kompetenz in den Bereichen Werkstoffe, Fertigung, Qualität, Anwendung, Support und Logistik. Durch diese starke Partnerschaft können wir Ihnen ein umfangreiches Sortiment an hochwertigen Produkten und erstklassigen Serviceleistungen bieten. Vertrauen Sie auf unsere Expertise und kontaktieren Sie uns noch heute, um gemeinsam die perfekte Lösung für Ihre  Rohrleitungssysteme zu finden. Mit unseren PE-Formteilen und der Unterstützung von Bänninger sind Sie bestens gerüstet für effiziente und zuverlässige Installationen.





Ihre Wünsche, unsere Lösungen - Ein umfangreiches Lieferprogramm nach Maß.



Kunststoffrohrsysteme


Rohrsysteme aus Kunststoff im Überblick
Technische Informationen ABS Rohrsysteme
Technische Informationen PVC  U Rohrsysteme
Technische Informationen PVC  U Transparent Rohrsysteme
Technische Informationen PVC  C Rohrsysteme
Technische Informationen PP Rohrsysteme
Technische Informationen PP-R Rohrsysteme
Technische Informationen PE Rohrsysteme
Technische Informationen PVDF Rohrsysteme

Chemiedur


Technische Informationen UP-GF (GFK) Rohrsysteme
UP-GF (GFK) Rohre
UP-GF (GFK) Formteile und Verbindungen
UP-GF-PP (GFK) Formteile und Verbindungen
UP-GF (GFK) Klebebunde
UP-GF (GFK) Losflansche
PP/GFK Schmutzfänger DN 200 - DN 500
GFK/CSS  Schmutzfänger DN 200 - DN 500
PP/GFK  Schrägsitzschmutzfänger DN 200 - DN 400
GFK und PP/GFK Mannlochdeckel DN 500 - DN 800


Kunststoffrohre


Rohrzuschnitssrechner
Sägehinweise Kunststoffrohre
Kunststoffrohr - Restebörse
Normung - Kunststoffrohre und Formteile
PVC U Rohrabweichungen
Druckverlust PVCU, PVCC und ABS Rohrsysteme
Unterschied Rp, R und G Gewinde
Schraubenlängen für Flanschverbindungen
Dichtungen: PTFE, NBR, FKM, EPDM

Kunststoffarmaturen


PVC U Transparent Kugelhahn
Membranventile
Blockventile
Absperrklappen
Nadelventile aus Kunststoff



 

Kunststoffarmaturen nach ATEX


ATEX-Leitlinien allgemein
Neue EU Richtlinie 2014/34/EU
Kunststoffarmaturen in Ex-Zonen
Schmutzfänger PP-EL DN 15 - DN 50
Rückschlagventil PP-EL DN 15 - DN 50
Schrägsitzventil PP-EL DN 15 - DN 50

Kleben von Kunststoffrohren


Klebeanleitung
Klebeanleitung per Video

Kunststoffschweißen


Hinweise zum Extrusionsschweissen


Gitterroste / Tragroste


GFK Gitterroste
Gitterroste PP -el elektrisch Leitfähig
Profiltragroste PP -el elektrisch Leitfähig


Lüftungsformteile


Lüftungstechnik
Revisionsdeckel für Lüftungskanäle
Luftstromüberwachung


Chemieschlauch


PVC Transparentschlauch mit Textileinlage


Industrie- und Chemiebehälter


Dosierbehälter-Konfigurator
Dosierbehälter  und Überbehälter 35 – 1000 Liter
Salzlösebehälter 60 -5000 Liter
Lagerbehälter & Bottiche
Lagerbehälter für Wasser
Sicherheits- und Auffangwannen
Lieferprogramm Industriebehälter
Dosierbehälter mit Rührwerk
Rührwerk für Dosierbehälter
Dosierbehälter mit Anbauvarianten
Dosierbehälter aus Plattenmaterial
Chemiebehälter - Kundenlösungen
Dosierbehälter mit Füllstandsanzeigen
GFK Behälter für den schweren Chemieeinsatz



 

IBC TANK / CONTAINER


IBC Schraubdeckel DN 150/DN 200
IBC Adapter aus PE
IBC Adapter aus PP
MULTI FLEX BLOCK für IBC Bulk Container
Sauglanze für MULTI FLEX BLOCK und IBC Bulk Container
Heizhaube für IBC Bulk Container

Anwendungsbeispiele
MULTI FLEX BLOCK


Legionellen in Rückkühlwerken


Anbauteile für den Behälterbau


Säuredunstscheider
CO2 - Absorber
Fallbeispiel CO2 - Absorber
Mannlochdeckel
Revisionsstutzen
Blockflansche
Klöpperboden aus PP-CPK, PE-SK, PVDF-geätzt, PVC U und PVC-C


Filtergehäuse und Filterkerzen


PENTEK 3G Slime Line Gehäuse
PENTEK 3G Standard Filtergehäuse
PENTEK Big Blue Filtergehäuse
PENTEK PP Hochtemperatur Filtergehäuse
PENTEK PP Natur Filtergehäuse
PENTEK Filterbeutel für Big Blue Filtergehäuse
PENTEK Filtereinsätze für Oberflächenfiltration
PENTEK Filtereinsätze für Tiefenfiltration
PENTEK Filtereinsätze mit Aktivkohle
CINTROPUR Filtersysteme
CINTROPUR Wasserfilter
Enthärtungsanlage KAWK
Heizungswasser Umkehrosmose INDUWA


Flansch-Konfigurator


Blindflansch-Losflansch-Rechteckflansch

Chemische Beständigkeit


Beständigkeitsliste für Rohrsystemen aus Kunststoff

Kunststoffapparatebau


Tropfenabscheider aus PVC U, PP, PPs, PE und Verbundwerkstoffen

 

Kunststoff-Drehteile


Einlegteile
Einschraubteile
Gewindefittings
Verschraubungen

Kunststoff-Frästeile


Los- und Blindflansche aus Platten


Statische Mischer


Statische Mischer aus Kunststoff


Kompensatoren


Kompensatoren für Kunststoffrohrsysteme


Schmutzfänger


Einzel- und Doppelschmutzfänger
Topfschmutzfänger DN 300
Schrägsitzschmutzfänger DN 500


Durchflussmesser


Schwebekörperdurchflussmesser
Konfigurator für Durchflussmesser
Messwertgeber für Schwebekörperdurchflussmesser
Nebenstrom - Durchflussmesser


Filterpressen


Laborfilterpresse


Spritzgussteile


Schaber aus PE für Filterpressen


Kwerk Praxis Blog


Hier bloggt das Kwerk Team aus der Praxis


Westerwald - Spezial


Westerwälder Säurekitt


Kwerk GmbH International


Unsere Webseite in Englisch


Partnerschaft auf höchstem Niveau


 
         
 
 
 
       
 
 
         
 
DETAIL-INFORMATIONEN
DATENBLATT KOMPAKT
DOWNLOADS
CAD-FILES
keine CAD-Dateien vorhanden
ONLINE-TOOLS
ANGEBOT ANFORDERN
PROJEKT-ANFRAGE STARTEN