PP-RCT Reduktion grün

Verfügbakeit: sofort
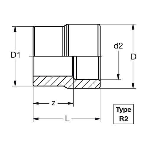
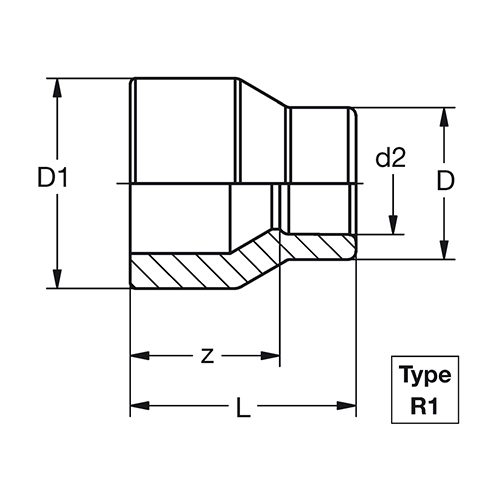
Gespritzte Formteile, für die Heizelement-Muffen-Schweißung, ohne Verschwächungsbeiwerte.

Werkstoff
PP-RCT (Polypropylen Random-Copolymer Temperature resistant) mit modifizierter Kristallstruktur (beta nukleiert) und erhöhter Temperaturbeständigkeit, Borealis RA7050GN, Farbe RAL 6024 Verkehrsgrün. Das Material entspricht den Anforderungen der aktuellen KTW-Leitlinie des Umwelt-bundesamtes (UBA).

Geometrische Eigenschaften
Durchmesser und Wanddicke der Muffen entsprechend DIN EN ISO 15874.Toleranzen bei den Z-Maßangaben sind abhängig von der Dimension. Bis d/D 160 = +/- 3 mm. Ab d/D 180 = +/- 10 mm.

Betriebsdruck
Der Betriebsdruck richtet sich üblicherweise nach dem eingesetzten Rohr. Grundsätzlich sind alle Standard-Formteile für die angebotenen Rohre geeignet.

Ausführung
Geeignet für Heizelement-Muffen-Schweißung nach DVS Richtlinie 2207. Schweiß- Geräte und Schweiß-Werkzeuge sollten der DVS Richtlinie 2208 entsprechen.

Zertifizierung
B-R Formteile unterliegen regelmäßigen internen und externen Qualitätskontrollen. Die Formteile erfüllen die Anforderungen der DIN Certco Richtlinie ZP 10.25.1 und NSF14 + 61.
 
 
 
alle Preise inkl. MwSt. zzgl. Versandkosten
D1 - d2 Type  R1 Type R2 D2 L z Gewicht VE Art.-Nr. Artikel bestellen
                  Preis Menge
25-20 X 29 36 22 0,012 1 7321070611 2,33 €
32-20 X 29 37 23 0,015 1 7321080611 3,17 €
32-25 X 34 39 23 0,017 1 7321080711 3,17 €
40-20 X 34 43 28 0,023 1 7321090611 4,20 €
40-25 X 34 43 27 0,023 1 7321090711 4,20 €
40-32 X 43 45 27 0,029 1 7321090811 4,20 €
50-20 X 43 5 36 0,043 1 7321100611 5,43 €
50-25 X 43 51 35 0,043 1 7321100711 5,43 €
50-32 X 43 51 33 0,045 1 7321100811 5,43 €
50-40 X 52 53 33 0,055 1 7321100911 5,43 €
63-20 X 34 56 42 0,079 1 7321110611 7,81 €
63-25 X 34 56 40 0,076 1 7321110711 7,81 €
63-32 X 43 58 40 0,076 1 7321110811 7,81 €
63-40 X 52 60 40 0,084 1 7321110911 7,81 €
63-50 X 65 63 40 0,091 1 7321111011 7,81 €
75-50 X 65 67 44 0,120 1 7321121011 10,83 €
75-63 X 80 71 44 0,150 1 7321121111 10,83 €
90-50 X 65 74 51 0,150 1 7321131011 13,91 €
90-63 X 80 78 51 0,170 1 7321131111 13,91 €
90-75 X 99 81 51 0,230 1 7321131211 13,91 €
110-63 X 85 87 60 0,320 1 7321141111 21,48 €
110-75 X 100 90 60 0,370 1 7321141211 21,48 €
110-90 X 120 93 61 0,450 1 7321141311 21,48 €
alle Preise inkl. MwSt. zzgl. Versandkosten
Hinweis:
Für diesen Artikel kann kein Gesamtpreis berechnet werden. Daher wird aus Ihrem Warenkorb eine Anfrage und Sie erhalten von uns schnellstens ein Angebot mit allen Preisangaben, bevor Sie verbindlich bestellen.
Hinweis:
Für diesen Artikel kann kein Gesamtpreis berechnet werden. Daher wird aus Ihrem Warenkorb eine Anfrage und Sie erhalten von uns schnellstens ein Angebot mit allen Preisangaben, bevor Sie verbindlich bestellen.
Hinweis:
Für diesen Artikel kann kein Gesamtpreis berechnet werden. Daher wird aus Ihrem Warenkorb eine Anfrage und Sie erhalten von uns schnellstens ein Angebot mit allen Preisangaben, bevor Sie verbindlich bestellen.
Hinweis:
Für diesen Artikel kann kein Gesamtpreis berechnet werden. Daher wird aus Ihrem Warenkorb eine Anfrage und Sie erhalten von uns schnellstens ein Angebot mit allen Preisangaben, bevor Sie verbindlich bestellen.
Hinweis:
Für diesen Artikel kann kein Gesamtpreis berechnet werden. Daher wird aus Ihrem Warenkorb eine Anfrage und Sie erhalten von uns schnellstens ein Angebot mit allen Preisangaben, bevor Sie verbindlich bestellen.
Hinweis:
Für diesen Artikel kann kein Gesamtpreis berechnet werden. Daher wird aus Ihrem Warenkorb eine Anfrage und Sie erhalten von uns schnellstens ein Angebot mit allen Preisangaben, bevor Sie verbindlich bestellen.
Hinweis:
Für diesen Artikel kann kein Gesamtpreis berechnet werden. Daher wird aus Ihrem Warenkorb eine Anfrage und Sie erhalten von uns schnellstens ein Angebot mit allen Preisangaben, bevor Sie verbindlich bestellen.
Hinweis:
Für diesen Artikel kann kein Gesamtpreis berechnet werden. Daher wird aus Ihrem Warenkorb eine Anfrage und Sie erhalten von uns schnellstens ein Angebot mit allen Preisangaben, bevor Sie verbindlich bestellen.
Hinweis:
Für diesen Artikel kann kein Gesamtpreis berechnet werden. Daher wird aus Ihrem Warenkorb eine Anfrage und Sie erhalten von uns schnellstens ein Angebot mit allen Preisangaben, bevor Sie verbindlich bestellen.
Hinweis:
Für diesen Artikel kann kein Gesamtpreis berechnet werden. Daher wird aus Ihrem Warenkorb eine Anfrage und Sie erhalten von uns schnellstens ein Angebot mit allen Preisangaben, bevor Sie verbindlich bestellen.
Hinweis:
Für diesen Artikel kann kein Gesamtpreis berechnet werden. Daher wird aus Ihrem Warenkorb eine Anfrage und Sie erhalten von uns schnellstens ein Angebot mit allen Preisangaben, bevor Sie verbindlich bestellen.
Hinweis:
Für diesen Artikel kann kein Gesamtpreis berechnet werden. Daher wird aus Ihrem Warenkorb eine Anfrage und Sie erhalten von uns schnellstens ein Angebot mit allen Preisangaben, bevor Sie verbindlich bestellen.
Hinweis:
Für diesen Artikel kann kein Gesamtpreis berechnet werden. Daher wird aus Ihrem Warenkorb eine Anfrage und Sie erhalten von uns schnellstens ein Angebot mit allen Preisangaben, bevor Sie verbindlich bestellen.
Hinweis:
Für diesen Artikel kann kein Gesamtpreis berechnet werden. Daher wird aus Ihrem Warenkorb eine Anfrage und Sie erhalten von uns schnellstens ein Angebot mit allen Preisangaben, bevor Sie verbindlich bestellen.
Hinweis:
Für diesen Artikel kann kein Gesamtpreis berechnet werden. Daher wird aus Ihrem Warenkorb eine Anfrage und Sie erhalten von uns schnellstens ein Angebot mit allen Preisangaben, bevor Sie verbindlich bestellen.
Hinweis:
Für diesen Artikel kann kein Gesamtpreis berechnet werden. Daher wird aus Ihrem Warenkorb eine Anfrage und Sie erhalten von uns schnellstens ein Angebot mit allen Preisangaben, bevor Sie verbindlich bestellen.
Hinweis:
Für diesen Artikel kann kein Gesamtpreis berechnet werden. Daher wird aus Ihrem Warenkorb eine Anfrage und Sie erhalten von uns schnellstens ein Angebot mit allen Preisangaben, bevor Sie verbindlich bestellen.
Hinweis:
Für diesen Artikel kann kein Gesamtpreis berechnet werden. Daher wird aus Ihrem Warenkorb eine Anfrage und Sie erhalten von uns schnellstens ein Angebot mit allen Preisangaben, bevor Sie verbindlich bestellen.
Hinweis:
Für diesen Artikel kann kein Gesamtpreis berechnet werden. Daher wird aus Ihrem Warenkorb eine Anfrage und Sie erhalten von uns schnellstens ein Angebot mit allen Preisangaben, bevor Sie verbindlich bestellen.
Hinweis:
Für diesen Artikel kann kein Gesamtpreis berechnet werden. Daher wird aus Ihrem Warenkorb eine Anfrage und Sie erhalten von uns schnellstens ein Angebot mit allen Preisangaben, bevor Sie verbindlich bestellen.
Hinweis:
Für diesen Artikel kann kein Gesamtpreis berechnet werden. Daher wird aus Ihrem Warenkorb eine Anfrage und Sie erhalten von uns schnellstens ein Angebot mit allen Preisangaben, bevor Sie verbindlich bestellen.
Hinweis:
Für diesen Artikel kann kein Gesamtpreis berechnet werden. Daher wird aus Ihrem Warenkorb eine Anfrage und Sie erhalten von uns schnellstens ein Angebot mit allen Preisangaben, bevor Sie verbindlich bestellen.
Hinweis:
Für diesen Artikel kann kein Gesamtpreis berechnet werden. Daher wird aus Ihrem Warenkorb eine Anfrage und Sie erhalten von uns schnellstens ein Angebot mit allen Preisangaben, bevor Sie verbindlich bestellen.




PP-RCT: Die Innovation für robuste Rohrsysteme


















 
PP-R (Polypropylen-Random-Copolymer) und PP-RCT (Polypropylen-Random-Copolymer mit modifizierter Kristallstruktur) sind hochwertige Werkstoffe für Rohrsysteme in verschiedenen Anwendungen. Hier sind weitere Informationen zu beiden Materialien:

PP-R (Polypropylen-Random-Copolymer):


PP-R ist ein thermoplastischer Kunststoff, der für seine hervorragende Wärmebeständigkeit, chemische Beständigkeit und mechanische Festigkeit bekannt ist. Es wird häufig in der Wasserversorgung, Heizungs- und Kühlsystemen, sowie in der Industrie- und Gebäudetechnik eingesetzt. PP-R Rohrsysteme bieten zahlreiche Vorteile, darunter:

- Hohe Temperaturbeständigkeit: PP-R Rohre können Temperaturen von bis zu 70°C standhalten, was sie ideal für den Einsatz in Warmwasserleitungen und Heizsystemen macht.
- Chemische Beständigkeit: PP-R ist beständig gegenüber einer Vielzahl von Chemikalien, Säuren und Basen, was seine Verwendung in industriellen Anwendungen ermöglicht.
- Geringe Ablagerungsneigung: Die glatte Innenoberfläche von PP-R Rohren verringert die Anhaftung von Ablagerungen und erleichtert die Wartung und Reinigung der Rohrsysteme.
- Langlebigkeit: PP-R Rohre sind korrosionsbeständig und haben eine lange Lebensdauer, was zu geringeren Wartungskosten führt.

PP-RCT (Polypropylen-Random-Copolymer mit modifizierter Kristallstruktur):


PP-RCT ist eine Weiterentwicklung von PP-R und bietet noch verbesserte Eigenschaften für anspruchsvolle Anwendungen. Durch die modifizierte Kristallstruktur weist PP-RCT eine höhere Temperaturbeständigkeit und Druckbelastbarkeit auf. Zu den Vorteilen von PP-RCT gehören:

- Höhere hydraulische Kapazität: Dank der verbesserten Struktur können PP-RCT Rohre eine höhere Durchflussleistung bei gleichem Außendurchmesser im Vergleich zu PP-R Rohren bieten.
- Erhöhte Temperaturbeständigkeit: PP-RCT Rohre können Temperaturen von bis zu 90°C standhalten, was sie für Anwendungen mit höheren Betriebstemperaturen geeignet macht.
- Verbesserte Druckbelastbarkeit: PP-RCT Rohre können höheren Drücken standhalten und bieten somit eine zuverlässige und sichere Rohrleitungsführung.

Sowohl PP-R als auch PP-RCT Rohrsysteme sind für ihre einfache Installation und hervorragende chemische Beständigkeit geschätzt. Sie werden in einer Vielzahl von Anwendungen eingesetzt, darunter Trinkwasserleitungen, Heizungs- und Kühlsysteme, industrielle Prozessleitungen, Bewässerungssysteme und vieles mehr.

Vertrauen Sie auf die Qualität und Leistungsfähigkeit von PP-R und PP-RCT Rohrsystemen für Ihre Anwendungen. Unsere Partnerschaft mit Bänninger stellt sicher, dass wir Ihnen erstklassige Produkte und umfassenden Support bieten können. Kontaktieren Sie uns gerne für weitere Informationen und individuelle Beratung zu unseren Rohrsystemen.

Unser Partner Bänninger ist ein dynamisches, traditionsreiches und inhabergeführtes Unternehmen mit einer klaren strategischen Ausrichtung auf das Ziel, den Anforderungen des Marktes jetzt und in Zukunft in hohem Maße zu entsprechen.

Bänninger verfügt über eine in vielen Jahren gewachsene Kompetenz in den Bereichen Werkstoffe, Fertigung, Qualität, Anwendung, Support und Logistik. Sie ist die Basis für ein komplettes Leistungsspektrum.





Ihre Wünsche, unsere Lösungen - Ein umfangreiches Lieferprogramm nach Maß.



Kunststoffrohrsysteme


Rohrsysteme aus Kunststoff im Überblick
Technische Informationen ABS Rohrsysteme
Technische Informationen PVC  U Rohrsysteme
Technische Informationen PVC  U Transparent Rohrsysteme
Technische Informationen PVC  C Rohrsysteme
Technische Informationen PP Rohrsysteme
Technische Informationen PP-R Rohrsysteme
Technische Informationen PE Rohrsysteme
Technische Informationen PVDF Rohrsysteme

Chemiedur


Technische Informationen UP-GF (GFK) Rohrsysteme
UP-GF (GFK) Rohre
UP-GF (GFK) Formteile und Verbindungen
UP-GF-PP (GFK) Formteile und Verbindungen
UP-GF (GFK) Klebebunde
UP-GF (GFK) Losflansche
PP/GFK Schmutzfänger DN 200 - DN 500
GFK/CSS  Schmutzfänger DN 200 - DN 500
PP/GFK  Schrägsitzschmutzfänger DN 200 - DN 400
GFK und PP/GFK Mannlochdeckel DN 500 - DN 800


Kunststoffrohre


Rohrzuschnitssrechner
Sägehinweise Kunststoffrohre
Kunststoffrohr - Restebörse
Normung - Kunststoffrohre und Formteile
PVC U Rohrabweichungen
Druckverlust PVCU, PVCC und ABS Rohrsysteme
Unterschied Rp, R und G Gewinde
Schraubenlängen für Flanschverbindungen
Dichtungen: PTFE, NBR, FKM, EPDM

Kunststoffarmaturen


PVC U Transparent Kugelhahn
Membranventile
Blockventile
Absperrklappen
Nadelventile aus Kunststoff



 

Kunststoffarmaturen nach ATEX


ATEX-Leitlinien allgemein
Neue EU Richtlinie 2014/34/EU
Kunststoffarmaturen in Ex-Zonen
Schmutzfänger PP-EL DN 15 - DN 50
Rückschlagventil PP-EL DN 15 - DN 50
Schrägsitzventil PP-EL DN 15 - DN 50

Kleben von Kunststoffrohren


Klebeanleitung
Klebeanleitung per Video

Kunststoffschweißen


Hinweise zum Extrusionsschweissen


Gitterroste / Tragroste


GFK Gitterroste
Gitterroste PP -el elektrisch Leitfähig
Profiltragroste PP -el elektrisch Leitfähig


Lüftungsformteile


Lüftungstechnik
Revisionsdeckel für Lüftungskanäle
Luftstromüberwachung


Chemieschlauch


PVC Transparentschlauch mit Textileinlage


Industrie- und Chemiebehälter


Dosierbehälter-Konfigurator
Dosierbehälter  und Überbehälter 35 – 1000 Liter
Salzlösebehälter 60 -5000 Liter
Lagerbehälter & Bottiche
Lagerbehälter für Wasser
Sicherheits- und Auffangwannen
Lieferprogramm Industriebehälter
Dosierbehälter mit Rührwerk
Rührwerk für Dosierbehälter
Dosierbehälter mit Anbauvarianten
Dosierbehälter aus Plattenmaterial
Chemiebehälter - Kundenlösungen
Dosierbehälter mit Füllstandsanzeigen
GFK Behälter für den schweren Chemieeinsatz



 

IBC TANK / CONTAINER


IBC Schraubdeckel DN 150/DN 200
IBC Adapter aus PE
IBC Adapter aus PP
MULTI FLEX BLOCK für IBC Bulk Container
Sauglanze für MULTI FLEX BLOCK und IBC Bulk Container
Heizhaube für IBC Bulk Container

Anwendungsbeispiele
MULTI FLEX BLOCK


Legionellen in Rückkühlwerken


Anbauteile für den Behälterbau


Säuredunstscheider
CO2 - Absorber
Fallbeispiel CO2 - Absorber
Mannlochdeckel
Revisionsstutzen
Blockflansche
Klöpperboden aus PP-CPK, PE-SK, PVDF-geätzt, PVC U und PVC-C


Filtergehäuse und Filterkerzen


PENTEK 3G Slime Line Gehäuse
PENTEK 3G Standard Filtergehäuse
PENTEK Big Blue Filtergehäuse
PENTEK PP Hochtemperatur Filtergehäuse
PENTEK PP Natur Filtergehäuse
PENTEK Filterbeutel für Big Blue Filtergehäuse
PENTEK Filtereinsätze für Oberflächenfiltration
PENTEK Filtereinsätze für Tiefenfiltration
PENTEK Filtereinsätze mit Aktivkohle
CINTROPUR Filtersysteme
CINTROPUR Wasserfilter
Enthärtungsanlage KAWK
Heizungswasser Umkehrosmose INDUWA


Flansch-Konfigurator


Blindflansch-Losflansch-Rechteckflansch

Chemische Beständigkeit


Beständigkeitsliste für Rohrsystemen aus Kunststoff

Kunststoffapparatebau


Tropfenabscheider aus PVC U, PP, PPs, PE und Verbundwerkstoffen

 

Kunststoff-Drehteile


Einlegteile
Einschraubteile
Gewindefittings
Verschraubungen

Kunststoff-Frästeile


Los- und Blindflansche aus Platten


Statische Mischer


Statische Mischer aus Kunststoff


Kompensatoren


Kompensatoren für Kunststoffrohrsysteme


Schmutzfänger


Einzel- und Doppelschmutzfänger
Topfschmutzfänger DN 300
Schrägsitzschmutzfänger DN 500


Durchflussmesser


Schwebekörperdurchflussmesser
Konfigurator für Durchflussmesser
Messwertgeber für Schwebekörperdurchflussmesser
Nebenstrom - Durchflussmesser


Filterpressen


Laborfilterpresse


Spritzgussteile


Schaber aus PE für Filterpressen


Kwerk Praxis Blog


Hier bloggt das Kwerk Team aus der Praxis


Westerwald - Spezial


Westerwälder Säurekitt


Kwerk GmbH International


Unsere Webseite in Englisch


Partnerschaft auf höchstem Niveau


 
         
 
 
 
       
 
 
         
 
DETAIL-INFORMATIONEN
DATENBLATT KOMPAKT
DOWNLOADS
CAD-FILES
keine CAD-Dateien vorhanden
ONLINE-TOOLS
ANGEBOT ANFORDERN
PROJEKT-ANFRAGE STARTEN